The photos you provided may be used to improve Bing image processing services.
Privacy Policy
|
Terms of Use
Can't use this link. Check that your link starts with 'http://' or 'https://' to try again.
Unable to process this search. Please try a different image or keywords.
Try Visual Search
Search, identify objects and text, translate, or solve problems using an image
Drag one or more images here,
upload an image
or
open camera
Drop images here to start your search
To use Visual Search, enable the camera in this browser
All
Search
Images
Inspiration
Create
Collections
Videos
Maps
News
More
Shopping
Flights
Travel
Notebook
Top suggestions for Engine Control Module Relay Passat
5VDC
Relay Module
Electrical Relay
Switch
Lighting
Control Module
24V
Relay Module
USB
Relay Module
Relay Control
Circuit
Switching
Relay
Relay
Interface Module
Relay Control
Panel
Single
Relay Module
Relay Control
Board
Relay Module
Wiring
Relay Control
System
Wago
Relay
2
Relay Module
Honeywell
Relay Module
Cooling Fan
Control Module
Relay Module
8 Channel
Relay Module
DataSheet
Programmable Relay
Board
Relay Module
Arduino
Addressable
Control Relay Module
Fire
Relay Module
4 Relay Module
Arduino
Control Relay Module
Diagram
Power
Control Module
Thermistor
Relay
Relay Module
Connecting
Phase
Control Relay
Load
Control Relay
ECM
Engine Control Module
Relay Module
Pinout
Control Module
Fire Alarm
Light
Control Module
Industrial
Control Relay
Relay Module
Pins
Relay
PCB Board
Isolated
Relay Module
Relay Module
Schematic
Relay Module
Symbol
Remote
Control Relay Module
Control
Unit Relay
Est
Control Relay Module
3
Relay Module
Relay Module to Control
the Motor
R001112
Relay Control Module
1
Relay Module
Relay Module
Terminals
Relay Module
Access Control
Thunderbolt
Relay Control Module
Explore more searches like Engine Control Module Relay Passat
High
Speed
Johnson
Controls
Chrysler
Crossfire
Vauxhall
Grandland
Carefree
RV
People interested in Engine Control Module Relay Passat also searched for
Semi
Truck
Greyhound
Bus
Wiring
Harness
Golf
1
Heavy
Truck
Computer
Schematic
ECM
Computer
Chinese
Logo
Chevy Suburban
2001
Port
Painless
86Ymwam152863vzq
T00em2625blk99
Gn94903
Ford
Explorer
Dodge
GoFlight
Single
Car
For Chevy Trailblazer
Ext
Harley
Bosch
Symptoms
Caterpillar
ECM
Autoplay all GIFs
Change autoplay and other image settings here
Autoplay all GIFs
Flip the switch to turn them on
Autoplay GIFs
Image size
All
Small
Medium
Large
Extra large
At least... *
Customized Width
x
Customized Height
px
Please enter a number for Width and Height
Color
All
Color only
Black & white
Type
All
Photograph
Clipart
Line drawing
Animated GIF
Transparent
Layout
All
Square
Wide
Tall
People
All
Just faces
Head & shoulders
Date
All
Past 24 hours
Past week
Past month
Past year
License
All
All Creative Commons
Public domain
Free to share and use
Free to share and use commercially
Free to modify, share, and use
Free to modify, share, and use commercially
Learn more
Clear filters
SafeSearch:
Moderate
Strict
Moderate (default)
Off
Filter
5VDC
Relay Module
Electrical Relay
Switch
Lighting
Control Module
24V
Relay Module
USB
Relay Module
Relay Control
Circuit
Switching
Relay
Relay
Interface Module
Relay Control
Panel
Single
Relay Module
Relay Control
Board
Relay Module
Wiring
Relay Control
System
Wago
Relay
2
Relay Module
Honeywell
Relay Module
Cooling Fan
Control Module
Relay Module
8 Channel
Relay Module
DataSheet
Programmable Relay
Board
Relay Module
Arduino
Addressable
Control Relay Module
Fire
Relay Module
4 Relay Module
Arduino
Control Relay Module
Diagram
Power
Control Module
Thermistor
Relay
Relay Module
Connecting
Phase
Control Relay
Load
Control Relay
ECM
Engine Control Module
Relay Module
Pinout
Control Module
Fire Alarm
Light
Control Module
Industrial
Control Relay
Relay Module
Pins
Relay
PCB Board
Isolated
Relay Module
Relay Module
Schematic
Relay Module
Symbol
Remote
Control Relay Module
Control
Unit Relay
Est
Control Relay Module
3
Relay Module
Relay Module to Control
the Motor
R001112
Relay Control Module
1
Relay Module
Relay Module
Terminals
Relay Module
Access Control
Thunderbolt
Relay Control Module
4160×3120
parts.vw.com
2014 Volkswagen Passat Accessory Power Relay. Fuel Pump Relay ...
2176×2176
parts.vw.com
2014 Volkswagen Passat Accessory Power Relay. Fu…
800×600
2040-parts.com
Purchase GOOD USED ENGINE VW PASSAT CONTROL MODULE in Sant…
1500×983
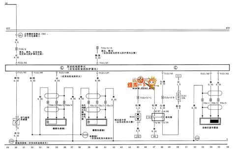
seekic.com
VW Passat engine electronic control unit,sensor and braking boosting ...
Related Products
8 Channel Relay Module
Arduino Relay Module
Solid State Relay Module
1280×960
forums.tdiclub.com
Passat relay plate and 13 relay panel | TDIClub Forums
1200×620
autoctrls.com
Troubleshooting Your 2002 VW Passat: Understanding the Relay Diagram
700×700
oemdirectradios.com
Volkswagen Passat TDI 2013 Factory E…
1536×1024
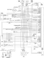
wiringdiagram.2bitboer.com
Vw Passat Comfort Control Module Wiring Diagram - Wirin…
918×1188
workshop-manuals.com
Volkswagen Workshop Servi…
152×200
blogspot.com
Wiring panel: VW CAR PASSAT …
1024×576
storage.googleapis.com
Passat Relay Diagram at Luke Earsman blog
717×849
forums.tdiclub.com
Passat Wagon Tailgate relay loac…
730×478
fuseandrelay.com
Fuse box diagram Volkswagen Passat B5 and relay with assignment and ...
Explore more searches like
Engine
Control Module Relay
Passat
High Speed
Johnson Controls
Chrysler Crossfire
Vauxhall Grandland
Carefree RV
766×559
eleccircs.com
2003 VW Passat Relay Layout
1200×1613
eleccircs.com
2003 VW Passat Relay Layout
817×627
eleccircs.com
2003 VW Passat Relay Layout
841×694
eleccircs.com
2003 VW Passat Relay Layout
908×1109
2CarPros
Ac Relay Location: Were in a 2001 Vw P…
1026×822
datavisualexpert.com
Relay Diagram for 2004 VW Passat: Simplified Guide
1024×786
datavisualexpert.com
Relay Diagram for 2004 VW Passat: Simplified Guide
800×555
wiringmaster.com
Understanding the Relay Diagram for a 2006 VW Passat
1200×675
wiringmaster.com
Understanding the Relay Diagram for a 2006 VW Passat
640×478
wiringmaster.com
Understanding the Relay Diagram for a 2006 VW Passat
840×630
storage.googleapis.com
Passat Fuel Pump Relay at Curtis Dolan blog
599×400
2040-parts.com
Purchase 12 VW Passat 2.5L Engine Control Module AT 20K OEM LKQ …
2176×2176
storage.googleapis.com
Ecm Power Relay Vw Passat at Phoebe Doane blog
656×666
elecsprout.com
Passat B6 Relay Configuration: A Visual …
1708×3194
walmart.com
Volkswagen Passat Fuel P…
918×1188
workshop-manuals.com
Volkswagen Workshop Servic…
1500×809
seekic.com
VW Passat engine electronic control unit、fuel injector and throttle ...
People interested in
Engine Control Module
Relay Passat
also searched for
Semi Truck
Greyhound Bus
Wiring Harness
Golf 1
Heavy Truck
Computer Schematic
ECM Computer
Chinese Logo
Chevy Suburban 2001
Port
Painless
86Ymwam15
…
1280×960
walmart.com
Volkswagen Passat Fuel Pump Relay
1500×804
seekic.com
Engine electronic control unit、oxygen sensor、secondary air pump relay ...
918×1188
workshop-manuals.com
Volkswagen Workshop Servic…
1024×710
fusesdiagram.com
Fuse box diagram Volkswagen Passat B6 (2005-2011
918×1188
workshop-manuals.com
Volkswagen Workshop Manual…
Some results have been hidden because they may be inaccessible to you.
Show inaccessible results
Report an inappropriate content
Please select one of the options below.
Not Relevant
Offensive
Adult
Child Sexual Abuse
Feedback