The photos you provided may be used to improve Bing image processing services.
Privacy Policy
|
Terms of Use
Can't use this link. Check that your link starts with 'http://' or 'https://' to try again.
Unable to process this search. Please try a different image or keywords.
Try Visual Search
Search, identify objects and text, translate, or solve problems using an image
Drag one or more images here,
upload an image
or
open camera
Drop images here to start your search
To use Visual Search, enable the camera in this browser
All
Search
Images
Inspiration
Create
Collections
Videos
Maps
News
More
Shopping
Flights
Travel
Notebook
Top suggestions for How to Programme a Atmega Controller
Atmega
Board
IC
Atmega
ATmega8
Arduino
ATmega8
Atmega
Tec Controller
Atmega
Chip
Atmega
Microcontroller
ATmega8A
Atmel Ice
Programmer
Arduino Uno
Circuit Board
Arduino
Nano
Atmega
168 Board
328P
Pinout
Atmel
Microcontroller
ATmega328
Atmega
Kit
ATmega
Series
ATmega16
Atmega
PCB
Atmega
Smart Card
ATmega8535
Atmega
Mini Controller
Arduino
ATmega32
Atmega
16 Microcontroller
ATmega328P
Circuit
IC Atmega
8
ATMEGA328P
-PU
AVR
Microcontroller
ATmega8
16Pu
Atmega
328 Controller
Breadboard
Atmega
8 Debugger
Smallest
Atmega
Arduino Uno
PWM
Mikrokontroler
ATmega32 Pin
Diagram
Atmega
vs Pic
LED Control
Board
Arduino
Connector
ATmega128
Controller
18F4520
ATMEGA328P
-AU
Atmega32A
Atmega32l
Solar Charge Controller
Circuit Diagram
Arduino Temperature
Controller
ATmega328P
Dip Pinout
Pump Controller
Schematic Atmega
Arduino Mega
2560
PIC18F2550
Explore more searches like How to Programme a Atmega Controller
Arduino
Uno
Smart
Card
Digital
Amplifier
Functional
Scheme
Breadboard Circuit
Diagram
Tec
Controller
ISP
Programmer
Block
Diagram
Voltage
Regulator
Pump Controller
Schematic
DataSheet
Microcontroller Comparison
Chart
32-Bit
Controller
SPI
Bus
328P SMD
Pinout
Surface
Mounted
ESC
BLDC
CAN
BUS
PWM
در
ISP
Toys
Elite
Computer
1280
Pinout
16U
پروگرامر
Dos
Price
8
PCB
People interested in How to Programme a Atmega Controller also searched for
Microcontroller
Architecture
Series
Basic
4809
Board
328
Vref
PWM
اتصال به
Kotak
Development
Board
2650P
Ph
Rod
328P
CCT
Labels
64-Pin
328 Gold
Cap
Autoplay all GIFs
Change autoplay and other image settings here
Autoplay all GIFs
Flip the switch to turn them on
Autoplay GIFs
Image size
All
Small
Medium
Large
Extra large
At least... *
Customized Width
x
Customized Height
px
Please enter a number for Width and Height
Color
All
Color only
Black & white
Type
All
Photograph
Clipart
Line drawing
Animated GIF
Transparent
Layout
All
Square
Wide
Tall
People
All
Just faces
Head & shoulders
Date
All
Past 24 hours
Past week
Past month
Past year
License
All
All Creative Commons
Public domain
Free to share and use
Free to share and use commercially
Free to modify, share, and use
Free to modify, share, and use commercially
Learn more
Clear filters
SafeSearch:
Moderate
Strict
Moderate (default)
Off
Filter
Atmega
Board
IC
Atmega
ATmega8
Arduino
ATmega8
Atmega
Tec Controller
Atmega
Chip
Atmega
Microcontroller
ATmega8A
Atmel Ice
Programmer
Arduino Uno
Circuit Board
Arduino
Nano
Atmega
168 Board
328P
Pinout
Atmel
Microcontroller
ATmega328
Atmega
Kit
ATmega
Series
ATmega16
Atmega
PCB
Atmega
Smart Card
ATmega8535
Atmega
Mini Controller
Arduino
ATmega32
Atmega
16 Microcontroller
ATmega328P
Circuit
IC Atmega
8
ATMEGA328P
-PU
AVR
Microcontroller
ATmega8
16Pu
Atmega
328 Controller
Breadboard
Atmega
8 Debugger
Smallest
Atmega
Arduino Uno
PWM
Mikrokontroler
ATmega32 Pin
Diagram
Atmega
vs Pic
LED Control
Board
Arduino
Connector
ATmega128
Controller
18F4520
ATMEGA328P
-AU
Atmega32A
Atmega32l
Solar Charge Controller
Circuit Diagram
Arduino Temperature
Controller
ATmega328P
Dip Pinout
Pump Controller
Schematic Atmega
Arduino Mega
2560
PIC18F2550
768×1024
scribd.com
Atmega | PDF
768×1024
scribd.com
Advanced View of Atmega Microco…
300×233
futurlec.com
ATmega Microcontroller Controller Board
300×225
futurlec.com
ATmega Microcontroller Controller Board
Related Products
ATmega328P
ATmega2560
Atmega Kit
768×1024
es.scribd.com
Tutorial ATmega | PDF | Microcont…
450×300
hackaday.com
ATmega Controller Wiring Upgrade | Hackaday
500×500
daraz.lk
Atmega 328p micro controller _ programme I…
640×823
www.qsl.net
atmega
512×512
researchdesignlab.com
Atmega Programmer-USB
2068×2124
oshwlab.com
programator atmega - Platform for creating an…
930×620
nerdyelectronics.com
Atmega Archives - NerdyElectronics
1200×630
fangletronics.com
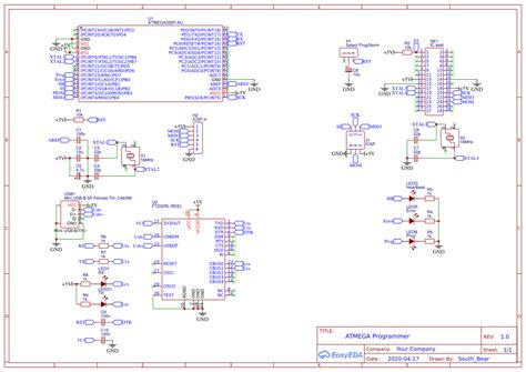
FangleTronics: ATmega programming board
1169×827
oshwlab.com
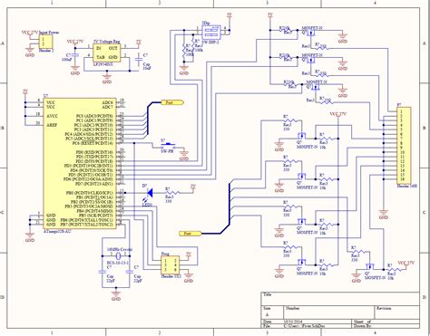
ATMEGA Programming Rig - EasyEDA open source hardware lab
768×1024
scribd.com
Atmega Programming Ste…
Explore more searches like
How to Programme a
Atmega
Controller
Arduino Uno
Smart Card
Digital Amplifier
Functional Scheme
Breadboard Circuit Diagr
…
Tec Controller
ISP Programmer
Block Diagram
Voltage Regulator
Pump Controller Sc
…
DataSheet
Microcontroller Comparison
…
800×1065
www.instructables.com
Compact ATMega 8 Programming T…
452×640
slideshare.net
Atmega tutorial | PDF
430×602
scienceprog.com
Simplest 128 atmega progra…
800×600
circuitdiagram.co
Circuit Diagram Of Atmega8 Microcontroller - Circuit Diagram
640×450
circuitdiagram.co
Circuit Diagram Of Atmega8 Microcontroller - Circuit Diagram
320×180
radarinfo1.blogspot.com
Learn AVR ATMEGA programming
1500×1066
forum.arduino.cc
Unable to program ATMega - Programming - Arduino Forum
GIF
600×386
electronicwings.com
Getting Started with Atmel Studio | AVR ATmega Controllers
600×314
atmega32-avr.com
Building a Basic Calculator using ATmega32 Microcontroller
1850×1023
sketchite.com
Avr Microcontroller Circuit Atmega Minimal Schematic Set Circuits ...
1366×728
electrosome.com
Blinking LED using Atmega32 Atmel AVR Microcontroller and Atmel Studio
1183×927
electronics.stackexchange.com
atmega - Arduino (ATmega328) in-circuit programming - Electrical ...
1920×789
domoticzfaq.ru
Programming atmega8 with arduino
600×658
atmega32-avr.com
Getting Started with Atmel Studio
1200×675
nishtahir.com
Programming an Atmega32 using an Arduino
500×425
atmega32-avr.com
Advanced View of Atmega Microcontroller Projects List - AT…
People interested in
How to Programme a
Atmega
Controller
also searched for
Microcontroller Architecture
Series
Basic
4809 Board
328 Vref
PWM اتصال به
Kotak
Development Board
2650P
Ph Rod
328P CCT
Labels
1280×976
pocketmagic.net
First steps with micro controllers (ATMega8) – PocketMagic
1000×1000
www.aliexpress.com
AVR ATMEGA16 Minimum System Board ATmega3…
768×406
electricaltechnology.org
What is ATMega Microcontrollers & How to Make a Simple Project with it?
850×868
researchgate.net
A wiring diagram of the ATMega328P Microcontr…
1169×828
oshwlab.com
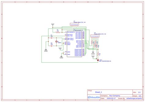
Programador Atmega com Raspberry - OSHWLab
Some results have been hidden because they may be inaccessible to you.
Show inaccessible results
Report an inappropriate content
Please select one of the options below.
Not Relevant
Offensive
Adult
Child Sexual Abuse
Feedback